地址:武汉市洪山区珞喻路141号广埠屯电脑大世界12068号(广埠屯地铁站K出口旁边)
电话:027-87791868
手机:18971686922; 13317138922
全国客服电话: 400-1819-112
©2015 湖北美安达科技有限公司 版权所有 备案号:鄂ICP备10204886号-6 网站制作优狐
国威GW2000-2型(最大支持256端口)
配置:最大32外线256分机,RJ45接口 尺寸:42.5cm*35cm*17.5cm 电源:AC110V-220V,后备DC24V的双电源接入系统
国威GW2000数字程控交换机通信设备参数:
1:铁壳机架式语音通信设备,支持32外线256内线、20个业务槽位、4个外线槽位(含1个内外线复用槽位)15个分机槽位。
2:支持开机自动测试各部分硬件的故障,并能自动屏蔽、提醒用户损坏的模块的自检测冗错功能。
3:支持外线忙音检测,32路无阻塞通话。
4:支持256方电话会议系统。
5:支持4总机循环、4路7段270秒录音语音话务员。
6:支持智能话务台实时监控语音系统功能。
7:支持灾难逃生、紧急撤离、疏散、热线报警等应急系统。
8:支持日服、夜服、节假日作息语音管理功能。
9:支持用户预设报警、SOS求救等,提机直接呼叫功能。
10:支持电脑管理、远程维护。
11:支持专用话机功能。
12:支持办公、酒店管理系统。
13:语音业务:二次来显、2-6位不等号分机并存、语音报号、弹性编码、分机分组、门禁开锁、分机热线、日夜服务循环、智能值班、呼叫转移、代接、强插、监听、三方通话、缩位拨号、语音叫醒、灾难逃生、通话计费、酒店管理、断电记忆、广播功能、随时密码、分区振铃、IP拨号。
14:支持双电源:AC110V-220V,后备DC24V的双电源接入系统,确保语音系统停电可正常工作。
15:尺寸:42.5cm*35cm*17.5cm(长*宽*高)
国威GW2000电脑管理、调试1:使用8芯网线,一端接交换机的LAN口,另一端接PC的网口。
2:LAN口带有2个灯,上灯为网络连接提示灯,连上了网络,灯常亮;下灯为数据通讯灯, 有数据时,灯闪烁。通过观察网线口的灯状态可获知GW2000是否正常连上网络.
3:打开电脑和交换机电源;
4:将附送的光盘放入电脑的光驱,将安装文件复制到桌面,双击打开setup-国威话务管理系统.exe;根据系统提示安装,安装完成后桌面会出现此图标.
5:网内调试、设置
设置PC的IP或者交换机的IP,保证两台设备的IP在同一个网段。
国威GW2000数字程控交换机通信设备特色功能:
开机自检测冗错功能:
本系统具有强大的自检测功能,能自动测试各部分硬件的故障,并能自动屏蔽损坏的模块,方便用户随时了解系统的使用情况,保证系统的正常运行,必要时还可以通过PC管理软件进行检测,方便维护及检修。
无阻塞通话:
本系统共有32路绳路,分机板、外线板、主板均配有多个收号器,发号器,系统采用分布式控制结构,信号音不占用任何绳路,保证所有绳路有效使用到通话中。
忙音检测:
本系统具自动检测中继忙音信号功能,当外线用户挂断电话后,系统能立即检测到中继忙音,而对相应中继拆线并释放中继线路,以此防止中继线一直占用,无法再次使用问题。
语音及显示报号:
本系统具有使用语音或用来电显示的方式查询分机号码,方便系统的安装维护,同时也可以查询系统的版本、系统时间。
叫醒服务:
可通过分机自设、总机设置或PC设置的方式设置闹钟,同时可以将电脑话务固定区的第8段语音设置成叫醒提示语音,也可以自行设置自录区的任意一段设置成叫醒提示语音(在分机叫醒振铃中提机听到提示语音)。
内部及二次来显功能:
采用全新的来电显示控制技术,可实现内部拨打来电显示,外部来电可准确接收,兼容FSK/DTMF双制式,可任意传送到各振铃分机,包括转移,来电号码同时发送到PC控制软件进行显示保存。
灾难逃生:
为用户提供具备权限的总机输入代码后,本系统内所有分机分机振铃,分机提机后,将听到系统推送的“这是紧急警报,请全体人员立即安全疏散”的预录语音(可自录),减少火灾、地震等灾难来临时造成的人员伤亡,特别适合酒店、井矿、金融等人员集中的场景。
自动呼叫转移(外转外):
分机可以设置离位(直接)、遇忙、无人接听转移到其他分机、其他外线座机、指定手机上,确保用户不会漏接重要电话。
人工转移功能:
内外线均具有转移功能,具有直接转、征询转等功能,可以转移到分机,也可以转移到分机组,也可以转移到外线上。
强大的PC控制软件:
本系统能实时显示系统各分机的工作状态,显示外线工作状态,包括打入打出,能实时将打入的电话号码显示并记录,系统还可对打入打出的电话号码进行灵活管理。
电话会议:
系统支持256方电话会议系统。(外线用户+内线用户之和)
外接音乐接口:
可让用户随意使用外部音乐为系统保留、转移的音源。
广播接口:
通过此接口,用户可以使用外部广播系统进行呼叫寻人。
灵活的设置方式:
本系统可以通过编程分机进行设置也可以通过PC管理软件进行设置,编程分机设置均具有单个或批量的设置指令。
完善的总机功能:
总机有保留、代接、代拨、经理秘书,本系统可以设置成多至四个总机,配合总机的遇忙离位转移功能,能满足不同的需求。总机还具有编程设置、强插、强拆等功能。
灵活的分机号码设置(弹性编码):
本系统可以设置2至6位不等位分机号码,并存。
分组功能:
本系统可设置多至32组外线组或分机组,供分机呼叫、外线呼入、呼出、转移等使用。
日夜服务功能:
系统内置实时时钟,可根据需求对日夜呼出等级、呼入分机、呼出外线权进行自动切换,具有午餐时间及周末(含周六周日)模式的设置。系统也具有通过总机人工操作切换的功能。
多种呼入值班模式:
包括人工齐振模式、人工轮询振模式、人工排队振模式、本机彩铃模式、呼叫中心(平均话务)模式、电脑话务员等值班模式。各种模式还具有灵活切换的功能,如电脑话务忙时自动转换成其他人工值班模式。
多种拨打外线模式:
除直接出局、间接出局拨打外线,还具有选择外线,预约外线,自动路由、自动转移外线等模式拨打外线的功能。系统在任意模式下均支持话机自动重拨功能。
多种拨打分机方式:
除直接拨打分机号码外,还具有快速拨0到总机,拨单键号到分机(或分机组)、预约拨打分机、拨打分机组等功能。
完善的电脑话务功能:
本系统多至4路的电脑话务员,固定区分8段语音,自录区录音段数分至7段,录音可以根据需求设置。提供灵活完善的话务员功能,使用户来电时在不同的状态听到不同的语音回答。
单键拨号导航:
内部呼叫及电脑值班拨号均可以采用单键拨号方式,也就是可以设置除出局、分机等特殊字头外的单键号码能对应某个分机或分机组,拨号时仅需拨一个号码就可以。
代接功能:
本系统其他分机响铃可通过本机代接,不必到响铃分机上接听,有多种代接方式,包括代接分机、代接外线保留、代接特定外线,可以满足各种需求。
分机限制功能:
系统可设置限制分机拨打外线的等级、拨打外线的时间,限制分机拨打某些外线,限制分机代接,限制分机不可以拨打内部分机、不可以转移等权限,也可以设置分机免打扰等,同时分机具有分机密码锁功能,在不使用情况下将分机锁定。
内线、外线、门口机振铃声易区分:
内部呼叫、外线呼入﹑门口机呼叫时对应分机的振铃声各不相同,让客户容易区分。
三方通话:
用户可通过系统进行两分机一外线的通话,也可通过外线呼入再转另一条外线呼出,进行两外线一分机(包括两外线单独通话)的操作。
外线通话灵活切换:
在与外线通话过程中有其他外线或门口机及分机呼叫,均可用简单的操作将现有的外线进行保留,并自动代接其他呼叫进行通话。
缩位拨号功能:
本系统可预存96组公共外线号码,分机无需记住外线号码,只要记住外线号码代号就能快速拨打外线号码。
随身密码:
本系统可设置128个密码账号,对应不同的等级,使用随身密码在任意分机拨打出去的电话均记录在此个人随身账号上。
分机热线功能:
任意分机可以设置提机自动拨打总机。
对讲、门口机功能:
本系统可以将所有分机设置成对讲模式,分机提机直接呼叫指定的振铃分机,分机可设置听保留音乐或回铃,对讲分机挂机模式有普通、DTMF码等模式,当对讲分机同时成门口机模式下,可以按代码开相对应的门锁。
门口锁、远程控制功能:
本系统可以具有四个开锁器接口,该接口也可以作为打铃或其他控制使用(远程控制、远程开锁)。
电话路由选择功能:
系统能根据设置灵活地自动采用最优资费的外线,这样可以同时使用不同运营商的中继外线,从而可以大大节省电话费用,系统最大可以设置4组特殊中继一组普通中继,每特殊中继通过16组8位字头进行判断。
IP拨号功能:
可以设置四组不同的长途IP号码对应不同的外线号码或中继线(配合路由功能),极大方便用户的使用。
PC录音监听及OGM下载:
OGM下载是将电脑录制好的语音下传到系统的语音芯片供电脑话务员使用。录音监听为选配功能,通过广播接口与PC连接,可以将需要的通话自动切换到电脑进行录音。
多种计费模式:
系统具有外线呼入计费、呼出计费的功能,能采用延时计费或反极计费的模式。
PC设置计费接口:
本系统除可在分机上进行系统设置,还可以通过PC电脑进行设置, 同时通过PC电脑进行计费统计打印工作,系统可灵活设置各种费率。在PC电脑未开启的情况下可存储多至3000条计费数据,并可断电存储,避免出现在电脑开启或出现故障时丢失计费数据的问题。
宾馆酒店管理功能:
本系统带酒店管理功能,如叫醒、押金等功能,也带有转发功能,通过网络通讯方式,将数据转发到专业的酒店管理软件。
断电记忆:
系统遇上停、断电,本机所设定的原有功能保持不变,再次通电后,不必再重复设定,即可按原来设定的功能来使用。
远端维护功能:
本机支持远端维护,进行远端编程﹑检测及维修,方便用户安装、调试,使用户得到及时有效的服务。
超强的防雷功能:
内外线接口均具有完善的防雷电路,并提供地线接口。
高效稳定的开关电源:
采用全新设计带24V后备电池接口的高效开关电源,功率高达100W以上,(110-220)V±10% 50/60Hz 自适应,适用于各种电压范围。同时带有保护功能,市电供电时电池能自动充电,断电时电池能自动向系统供电。
国威GW2000电脑管理、调试1:使用8芯网线,一端接交换机的LAN口,另一端接PC的网口。
2:LAN口带有2个灯,上灯为网络连接提示灯,连上了网络,灯常亮;下灯为数据通讯灯, 有数据时,灯闪烁。通过观察网线口的灯状态可获知GW2000是否正常连上网络.
3:打开电脑和交换机电源;
4:将附送的光盘放入电脑的光驱,将安装文件复制到桌面,双击打开setup-国威话务管理系统.exe;根据系统提示安装,安装完成后桌面会出现此图标.
5:网内调试、设置
设置PC的IP或者交换机的IP,保证两台设备的IP在同一个网段。
国威GW2000硬件解释
正视图
1:110-220VAC电源输入接口
2:交流电源开关
3:地线接口
4:电池启动按钮
5:设备启动开关
6:24V电池接线处
GW2000槽位接口图
7:外置音乐接口
8:广播接口
9:门锁接口
10:网络接口
11:001-256号分机端口(其中一个端口为系统资源占用端口)
12:01-32号外线端口
国威GW2000系统CPU板、编号为GW2000-CPU
国威GW2000外线板、编号为GW2000 FXO8
GW2000外线板线序
国威GW2000内线板、编号为GW2000 FXS16
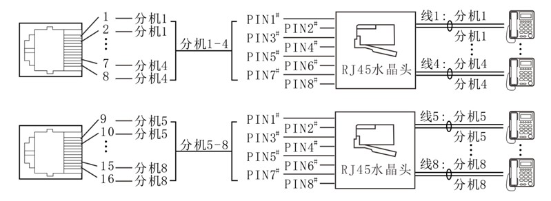
GW2000分机板线序为
CONTACT US
地址:武汉市洪山区珞喻路141号广埠屯电脑大世界12068号(广埠屯地铁站K出口旁边)
电话:027-87791868
手机:18971686922; 13317138922
全国客服电话: 400-1819-112
©2015 湖北美安达科技有限公司 版权所有 备案号:鄂ICP备10204886号-6 网站制作优狐
ONLINE MESSAGE
在线留言
FOCUS ON US
关注我们
扫一扫 关注我们